Printable DB
Telecom Wiring Diagram
top golf invitation template
recording contract template free
msl label template
ls1 cam sensor o ring
motor stator winding
science fair report template
logistics coordinator job description sample
map skills worksheets 3rd grade pdf
Telephone Wiring Diagram
How To Wire A Phone Jack Voice Or Telephone Rj 11 Thru Rj 14
Phone Wiring Diagram Telephone Distribution Module
Wiring Information
Telecom Modular Tutorial Cabling Connectors Lan Phone
How To Install Telephone Wires
Telephone Socket Wiring How To Do It
Doing Your Own Telephone Wiring
Uk Telephone Wiring
Telephone Wiring Diagram
Call Shop Solution Engineering Basic Network Diagram
Uk Telephone Wiring
Data Telephone Wiring Standards
Telecom Modular Tutorial Cabling Connectors Lan Phone
Testing Your Telephone Service Old Australian Telephones
Testing Your Telephone Service Old Australian Telephones
Wiring Information
Telecom Nz Ltd Ptc 200 Section 10 Br Network Connection
Wiring Alpine Communications
Chapter 5 Page 1 Telecommunications Handbook For
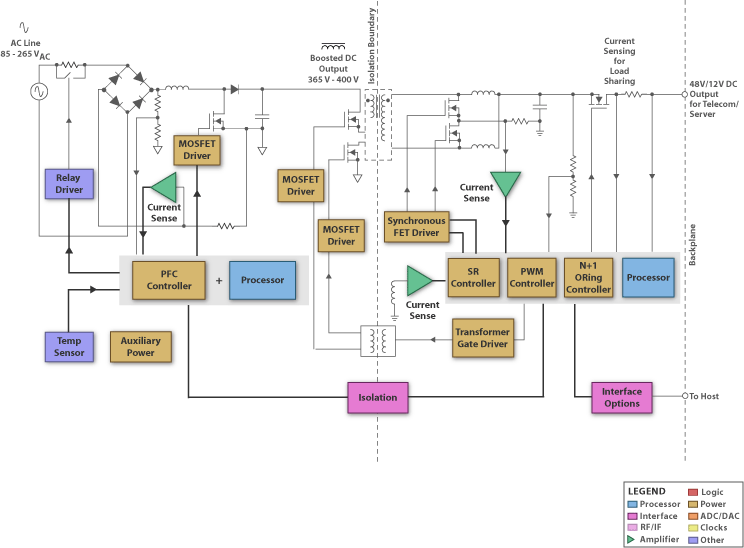
Telecom Server Ac Dc Supply Dual Controller Analog Wiring
Source :
pinterest.com
Popular Posts
1994 E350 Fuse Block Diagram
Dmv Marriage Certificate
Board Of Directors Letter Template
Factoring Quadratics Worksheet With Answers
Adobe After Effects Templates Free Download
Hostinger Ssl Certificate
King Crown Template Pattern
Free Printable Library Labels Printable
Free Bill Of Sale Template Motorcycle
2008 Dodge 2500 Truck Fuse Box
Incose Systems Engineering Handbook V4 Pdf
2006 Kawasaki Mule 610 Wiring Diagram
1964 Mercury Comet Wiring Diagram
Internet Marketing Proposal Template
Essential Service Letter Sample
5050 Raffle Flyer Template
Different Certification Programs
Employee Termination Checklist Sample
Chemistry Balancing Chemical Equations Worksheet Answer Key 10th Grade
Ford 4 6 Engine Diagram
3 Phase 240 Volt Wire Diagram
Compact Tractor 12 Volt Fuse Box
How To Pronounce Template Correctly
3 Phase Motor Star Connection
Excel Editable Free Printable Grocery Shopping Grocery List Template
2003 Honda Pilot Passenger Side Fuse Box
Chevy 2 Ecotec Wiring Diagram Schematic
96 Ford Thunderbird Wiring Schematic
Formal Complaint Letter Template Uk
Free Printable Nda Form
2008 Honda Ridgeline Fuse Box
After Effects Cs6 Templates
Employee Settlement Offer Rejection Letter Sample
End Of Contract Letter Sample
4th Grade Main Idea Worksheets
Editable Calendar Template 2019
Business Service Proposal Template
How To Write A Work Report Template
Download Template Id Card Format Psd Gratis
Baby Boy Announcement Template
Automotive Fuse Box Generate How Many Amp
2012 Audi A3 Fuse Box Diagram
2008 International 9200i Fuse Box Diagram
Free Printable Fifth Grade Math Worksheets
Fillable Doctors Note Template Pdf
Internal Comm Internal Communication Strategy Template
Contingency Plan Template For Schools
Alphabet Writing Worksheets Free Printable
Create Fake Bank Transfer Receipt
Cia Certification Cost
1995 Jeep Wrangler Fuse Box Diagram
1995 Club Car Golf Cart Wiring Diagram
Isuzu Npr Fuel Pump Wiring Diagram
Business Collaboration Agreement Template
Alfa Romeo Gtv6 Wiring Diagram