Printable DB
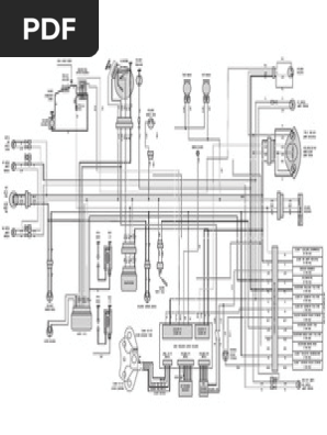
Kawasaki Rouser 220 Wiring Diagram
event planning document template
how to write a bio template free
employee vacation calendar template
diamond jewellery certification
editable free weekly meal planner template
free woodland baby shower printables
free grammar worksheets 4th grade
1994 f150 4 9 engine diagram
Kawasaki Rouser 135 Wiring Diagram Wiring Diagram
Kawasaki Rouser 220 Wiring Diagram Catalogue Of Schemas
Kawasaki Rouser 220 Wiring Diagram Wiring Resources 2019
Kawasaki Rouser 135 Wiring Diagram Wiring Diagram
Click For A Larger View Diagram Technology Messages
Kawasaki Rouser 220 Wiring Diagram Wiring Library
Bajaj M80 Wiring Diagram Auto Electrical Wiring Diagram
Kawasaki Rouser 220 Wiring Diagram Wiring Library
Bajaj Pulsar Wiring Diagram Wiring Diagram
Kawasaki Rouser 135 Wiring Diagram Wiring Diagram
Kawasaki Rouser 220 Wiring Diagram Catalogue Of Schemas
Jawaban Tentang Pertanyaan Cdi Motor Eyuana Com
220 Electrical Wiring Diagrams
Kawasaki Rouser 135 Wiring Diagram Wiring Diagram
Bajaj Pulsar 180 Dts I Workshop Manual Part 2 In English
Kawasaki Rouser 220 Manual
Troubleshooting Repairing A Kawasaki Bayou Klf300 Atv
Wiring Diagram Jupiter Z1 Wiring Diagram
Kawasaki Rouser 135 Wiring Diagram Wiring Diagram
Pulsar 135 Ls Wiring Diagram Hero Glamour Fi Wiring Diagram
3 Wheeler World Tech Help Kawasaki Wiring Diagrams
Source :
pinterest.com
Popular Posts
Professional Resume Resume Template Free Download
Recommendation Letter Sample For College
Memo Template Example
Second Grade Graphing Worksheets
Network Specialist Certification
Tabc Certification Nc
Location Scouting Template
Rj 48 Wiring
Model Train Track Wiring A Switch
Recruitment Flyer Template Word
Va Resume Builder
Self Introduction Script Sample For Esl Teacher
School Event Flyer Templates Free
Renew Pals Certification
Sprint Backlog Template
Sample Of Swot Analysis In Business Plan
Online Worksheets For Kindergarten
Vvt I Beam Wiring Diagram 200
Wiring Diagram Kenwood Ez500
Mba Fresher Resume For Marketing And Finance
Power Words For Resume Writing
Large Sunflower Template
Wisconsin Engine Diagram
Ls1 Cam Sensor O Ring
Oklahoma Resale Certificate
Will Template Pdf
Thank You Note Template Free Printable
Printable Place Cards Free
Midsegment Of A Triangle Worksheet 5 1
Medical Report Samples
Wiring Diagram Reversible 12 Volt Motor
Oliver 77 Tractor Wiring Diagram
Printable Travel Brochure
Open Office Resume Templates Free
Word Search Printable Hard For Adults
Printable Lds Church Program Template
Printable Tickets With Tear Away Stubs
Procreate Templates Free
No Reply Email Message Template
Pelvi Diagram Female
Legal Guardianship Guardianship Letter Sample
Sales Map Template
Wedding Photo Booth Template
Printable Princess Birthday Invitations
Motor Stator Winding
Pitch Deck Powerpoint Template Free
Underground Certification Training
Pharmacy Delivery Sheet Template
Profit And Loss Account Template
New Product Introduction Template
Mazda 3 Passenger Side Fuse Box Diagram
Statement Of Work Contract Template
Sample Gift Letter For Mortgage
Work Power Kinetic And Potential Energy Worksheet
Lowe 170w Wiring Diagram For